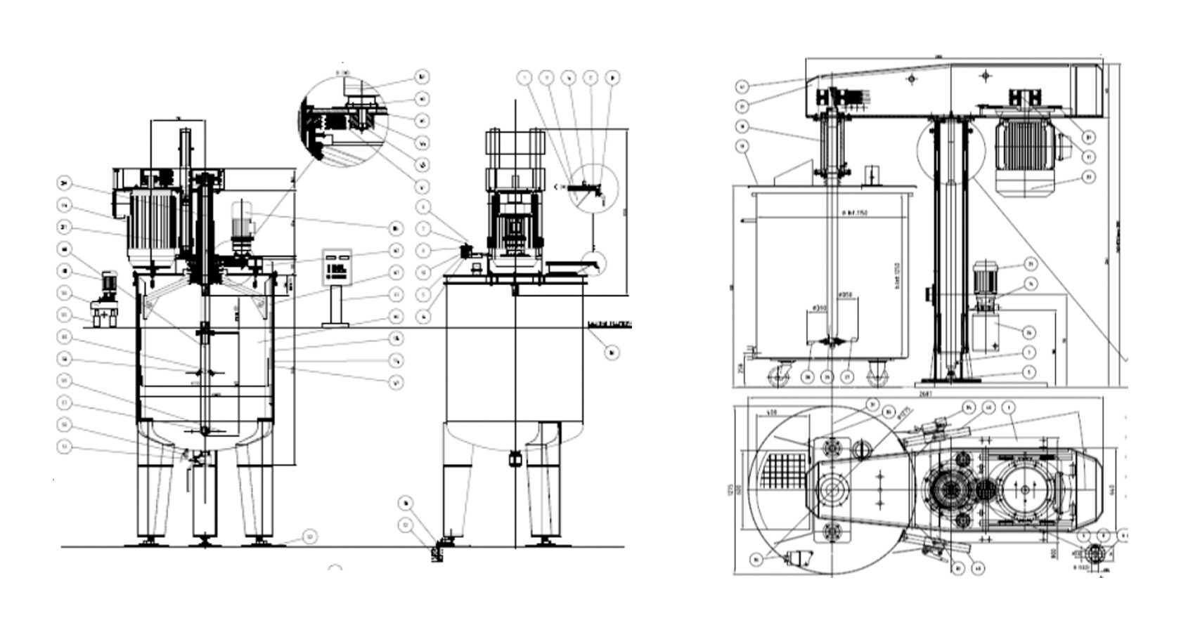
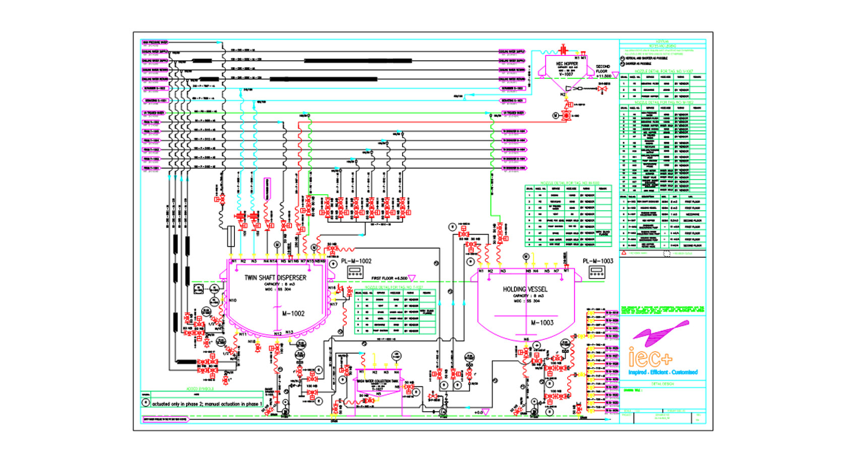
We provide consultancy, plant design and engineering, equipment supply and customisation.
We assist you from engineering stage through to complete project development.
WE OFFER:
- In house R&D, engineering & software development
- A wide range of solutions for all sizes of production requirements and for a wide range of applications
- We supply both equipment as well as all related engineering and installation services
- Each solution is designed according to customer’s needs.